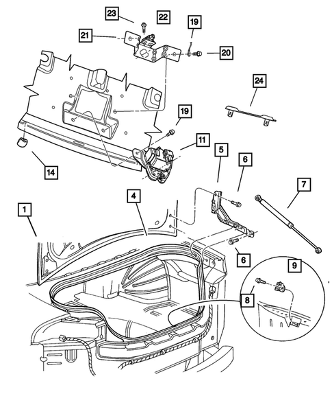
Liftgate Panel for 2003 Chrysler Concorde

Vehicle

2003 Chrysler Concorde

Change Vehicle

Categories

Browse Categories
No.
Part # / Description / Price
Price
N/A
Deck Lid Fastener
Mopar Mopar
Description: Upstop Attaching. Bumper Deck Lid Overslam.
N/A
Handle
Mopar Mopar
Description: Glow In The Dark Emergency Release.
N/A
Hex Head Screw And Washer
Mopar Mopar
Description: M6x1x24.5. Fender to Fender Mounting Bracket. Deck Lid Striker attaching.
N/A
Deck Lid Overslam Bumper
Mopar Mopar
Description: Deck Lid Overslam Outside Body Half.
N/A
Cargo Tie Down Strap
Mopar Mopar
Description: Contains : Two Straps. Deck Lid Pull Down. Contains: 2 Straps. Consists of . 2 Straps for securing the tire(s) onto the rack.NOTE: 82300585 only needs one strap but will receive 2 in this kit. Use with 2 Pair.
N/A
Push Pin
Mopar Mopar
MSRP $8.80
$6.35
MSRP $8.80
$6.35
6
Screw And Washer
Mopar Mopar
Description: M8x1.25x20.
8
Screw
Mopar Mopar
Description: Decklid Striker Attaching. M6X1X25, Decklid Striker Attach.
11
Decklid Latch
Mopar Mopar
Description: With Emergency Release Handle.
19
Self Tapping Screw
Mopar Mopar
Description: Fender Attaching. M6x1x15. Deck Lid Lock Cylinder Bracket ataching. M6x1.00x17.00. Cable Guide to LCA.
MSRP $6.70
$4.72
MSRP $6.70
$4.72