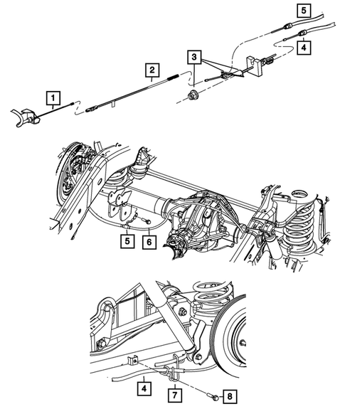
Parking Brake Lever, Cables, and Rear Disc Park Brake Assembly for 2014 Ram 1500
No.
Part # / Description / Price
Price
3
Parking Brake Shoe And Lining Kit 2
Mopar
Mopar Description: For Both Wheels. Contains 4 Shoes. For Type A Flange.
Not For Sale
Not For Sale
3
MSRP $75.00
$51.75
3
MSRP $81.30
$56.12
4
MSRP $4.80
$3.39
5
Brake Shoe Hold Down Clip
Mopar
Mopar Description: 11-04-02 and After. Up To and Including 11-03-02.
MSRP $5.45
$3.87
MSRP $5.45
$3.87
6
MSRP $49.95
$34.44
8
MSRP $18.40
$13.31
10
Knurled Stud
Mopar
Mopar Description: M12x1.50x50.50. Parking Brake Adapter Assembly. Not Included in Adapter Assembly. Type A Flange-Axle Housing to Backing Plate.
MSRP $5.50
$3.87
MSRP $5.50
$3.87
2 This part contains hazardous materials. Extra shipping costs apply.
No.
Part # / Description / Price
Price
N/A
Hex Flange Head Bolt
Mopar
Mopar Description: Rh prk brk cable to rr axle. .312-18x.5625. Max Tow Bracket To Axle Housing. Rh park brake cable to rr axle.
MSRP $1.55
$1.09
MSRP $1.55
$1.09
3
MSRP $50.85
$35.08
4
MSRP $56.95
$39.27
5
MSRP $136.00
$90.58
6
Hex Head Screw And Washer
Mopar
Mopar Notes: Engines: 3.0L V6 TURBO DIESEL ENGINE. Transmissions: 8-SPD AUTO 845RE TRANS (MAKE). 8-Spd Auto 8HP70 Trans (Buy).
Description: HEX HEAD
MSRP $13.25
$9.62
MSRP $13.25
$9.62
7
Parking Brake Cable Guide
Mopar
Mopar Description: Mounts to Rear Lower Control Arm. Attaches to Rear Suspension Lower Control Arm.
MSRP $15.90
$11.37
MSRP $15.90
$11.37
8
Hex Head Screw
Mopar
Mopar Description: M8x1.25x25. Seat Cushion Frame to Body. Parking Brake Cable to Lower Control Arm Left. Left Parking Brake Cable to LCA. Parking Brake Cable Guide to Lower Control Arm. Bottom Seat Frame to Body.
MSRP $4.15
$2.96
MSRP $4.15
$2.96
No.
Part # / Description / Price
Price
2
MSRP $27.20
$19.72
4
Hex Flange Nut
Mopar
Mopar Notes: Engines: 3.0L V6 TURBO DIESEL ENGINE. 3.6L V6 FFV 24V VVT Engine. 5.7L V8 HEMI MDS VVT Engine. ALL 5.7L V8 ENGINES. All V6 Engines.
MSRP $4.30
$3.09
MSRP $4.30
$3.09
4
Hex Flange Nut
Mopar
Mopar Notes: Engines: 3.0L V6 TURBO DIESEL ENGINE. 3.6L V6 FFV 24V VVT Engine. 5.7L V8 HEMI MDS VVT Engine. ALL 5.7L V8 ENGINES. All V6 Engines.
MSRP $4.20
$3.03
MSRP $4.20
$3.03



bproauto